Menu
Cart 0



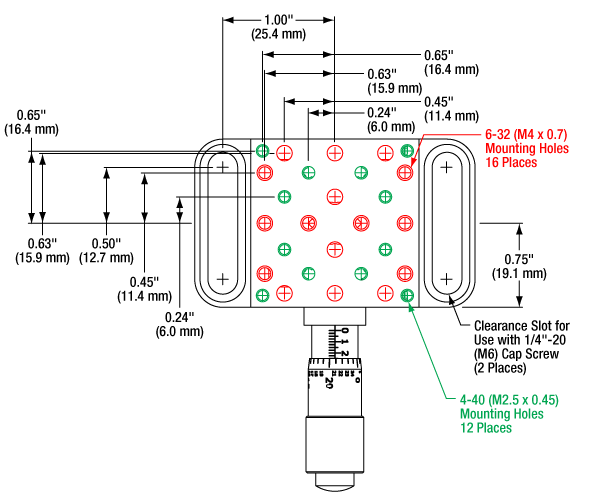
TH-GNL10 - Large Goniometer, 1" Distance to Point of Rotation, ±10°

Fosco Connect Part No.: TH-GNL10

  • $ 515.00 or



TH-GNL10 - Large Goniometer, 1" Distance to Point of Rotation, ±10°

Product Specification Sheet

  • Pure Rotational Motion About a Virtual Point
  • 1° Graduation Marks on Side
  • Backlash-Free Spring-Loaded Design
  • Fully Lockable
  • Small Platform Goniometric Stage: 1" x 1"
  • Large Platform Goniometric Stage: 1.5" x 1.5"

A goniometer or goniometric stage is a device used to rotate an object precisely, within a small angular range, about a fixed point in space. Goniometers are similar to linear stages, but, rather than providing linear movement, the stage partially rotates about a fixed point above the mounting surface of the stage. In our two product lines, the distance from the point of rotation to the mounting surface was designed so that two different goniometer models may be stacked in an XY configuration and both stages will rotate about the same point. Our goniometers use a backlash-free leadscrew in the smaller GN series and a precision micrometer for enhanced angular positioning of the top plate in the larger GNL series.

Our goniometers offer unobstructed, pure rotational motion about their point of rotation over the angle of rotation (see image to the right). The compact, stackable design allows one model to be fastened to the top plate of another aligning their points of rotation. In the TH-GN series, the TH-GN05(-M) stage mounts atop the TH-GN1(-M) stage. In the TH-GNL series, the TH-GNL10(-M) stage mounts atop the TH-GNL18(-M) stage. These two axis stage setups can be purchased as a single package [Item #s TH-GN2(-M) or TH-GNL20(-M).

Sale

Unavailable

Sold Out