Menu
Cart 0



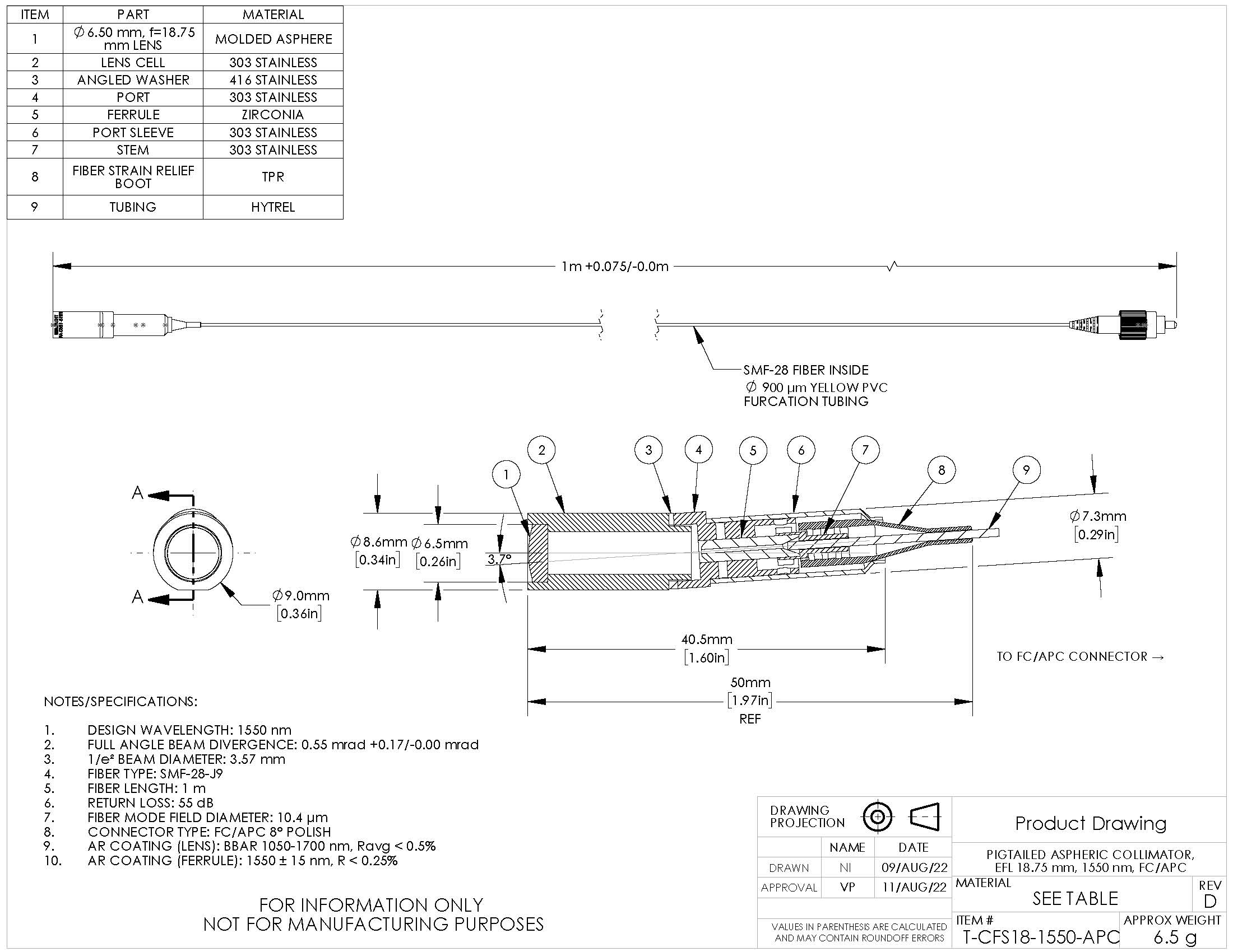
T-CFS18-1550-APC - SM Pigtailed Aspheric Collimator, EFL 18.75 mm, 1550 nm, FC/APC

Fosco Connect Part No.: T-CFS18-1550-APC

  • $ 585.00 or



T-CFS18-1550-APC - SM Pigtailed Aspheric Collimator, EFL 18.75 mm, 1550 nm, FC/APC

Product Drawing

  • Compact Fiber Collimation Packages
  • SM Fiber Pigtail with FC/PC or FC/APC Connectors Available
  • Non-Magnetic Stainless Steel Housing
  • Alignment Wavelength 1550 nm
  • Lens AR Coating 1050 - 1700 nm Ravg < 0.5%
  • Waist Diameter 3.57 mm
  • Waist Distance 18.68 mm
  • Full-Angle Divergence 0.03° +0.01°/-0.00° (0.55 mrad +0.17/-0.00 mrad) 
  • Theoretical Divergence
  • NA Lens 0.15
  • Focal Length at Alignment Wavelength 18.75 mm
  • Clear Aperture 5.5 mm
  • Housing Outer Diameter 9.0 mm
  • Connector Type 2.0 mm Narrow Key FC/APC
Fiber Type Fiber Length Insertion Loss Return Loss Mode Field Diameter
SMF-28-J9 1 m <0.2 dB 55 dB 10.4 µm @ 1550 nm
Sale

Unavailable

Sold Out